Durų prijungimas prie DS-KIS101-P, DS-KIS703-P, DS-KIS604-S "Hikvision" vaizdo įėjimo sistemos
Žinutė iš dienos: 08-08-2022
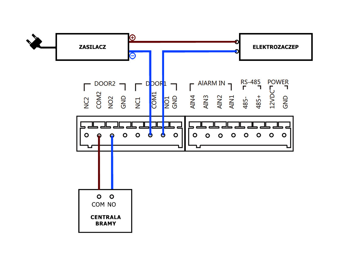
Vartų valdymo skydo jungtis:
Vartų valdymo skydo jungtis:
DS-KIS101-P vaizdo domofonas:

DS-KIS703-P vaizdo domofonas:

DS-KIS604-S vaizdo domofonas


DS-KIS703-P vaizdo domofonas:

DS-KIS604-S vaizdo domofonas

Kiti įrašai
Prekės ženklų zona
Mūsų rekomendacijos
- Miesto stebėjimas
- Namų stebėjimas
- Gyvenvietės stebėjimas
- Parduotuvės stebėjimas
- Vaistinės stebėjimas
- Automobilių stovėjimo aikštelės stebėjimas
- Biuro stebėjimas
- Mokyklos stebėjimas
- Sandėlio stebėjimas
- Degalinės stebėjimas
- Kietojo disko talpos skaičiuoklė
- Objektyvo židinio nuotolio skaičiuoklė
- Išsami ekspertų pagalba
- Efektyvus užsakymų vykdymas
- Konkurencingos kainos, akcijos ir nuolaidos
- 17 metų rinkoje


















