Elektrinio durų atidarymo jungtis DS-KIS202, DS-KIS101-P, DS-KIS603-P, DS-KIS604-S, DS-KIS703-P "Hikvision" vaizdo įėjimo sistemai
Žinutė iš dienos: 16-11-2020
Elektrinio durų atidarymo įtaiso prijungimas:
Videointercom DS-KIS202:

DS-KIS703-P vaizdo domofonas:

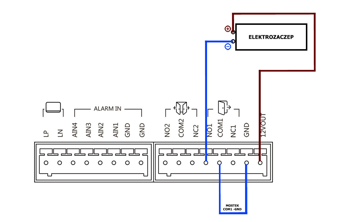
DS-KIS603-P vaizdo domofonas

DS-KIS604-S vaizdo domofonas

Elektrinio durų atidarymo įtaiso prijungimas:
Videointercom DS-KIS202:

DS-KIS101-P vaizdo domofonas (durų atidarymo įrenginio maitinimas iš maitinimo šaltinio):
DS-KIS101-P vaizdo domofonas (durų atidarymo įrenginio maitinimas iš išorinio skydelio):
DS-KIS101-P vaizdo domofonas (durų atidarymo įrenginio maitinimas iš išorinio skydelio):
DS-KIS703-P vaizdo domofonas:

DS-KIS603-P vaizdo domofonas

DS-KIS604-S vaizdo domofonas

Kiti įrašai
Prekės ženklų zona
Mūsų rekomendacijos
- Miesto stebėjimas
- Namų stebėjimas
- Gyvenvietės stebėjimas
- Parduotuvės stebėjimas
- Vaistinės stebėjimas
- Automobilių stovėjimo aikštelės stebėjimas
- Biuro stebėjimas
- Mokyklos stebėjimas
- Sandėlio stebėjimas
- Degalinės stebėjimas
- Kietojo disko talpos skaičiuoklė
- Objektyvo židinio nuotolio skaičiuoklė
- Išsami ekspertų pagalba
- Efektyvus užsakymų vykdymas
- Konkurencingos kainos, akcijos ir nuolaidos
- 17 metų rinkoje


















